Langsung ke konten utama

[28+] Toyota Hilux Wiring Diagram 2003, 1975 Toyota Hilux Wiring Diagram | Schematic And Wiring Diagram

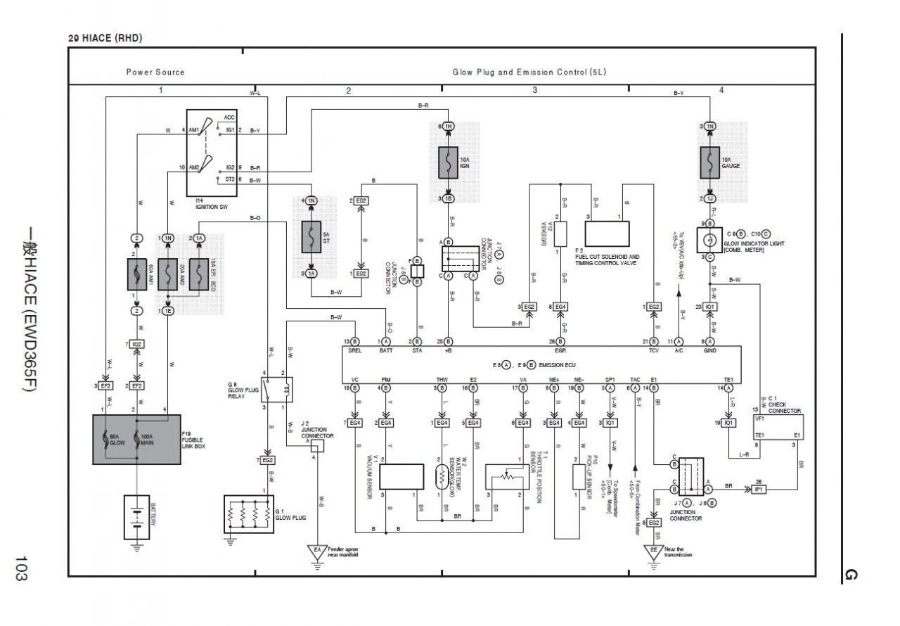
Toyota Hilux Wiring Diagram 2003 Toyota Hilux 4 Runner Wiring Diagrams Electrics Wiring Diagrams Manual

Toyota hilux 2005

Toyota hilux 4 runner wiring diagrams electrics wiring diagrams manual. Toyotum 2 7 engine diagram. 1975 toyota hilux wiring diagram. Toyota hilux 2005

Toyota RAV-4 [2019.02] Electrical Wiring Diagram | Auto Repair Manual

Toyota RAV-4 [2019.02] Electrical Wiring Diagram | Auto Repair Manual

2006 Pt Cruiser Headlight Wiring Diagram - Wiring Diagram

2006 Pt Cruiser Headlight Wiring Diagram - Wiring Diagram

Toyotum Tacoma Obd2 Wiring - Complete Wiring Schemas

Toyotum Tacoma Obd2 Wiring - Complete Wiring Schemas

repair-manuals: Toyota Hilux 1976 Wiring Diagrams

repair-manuals: Toyota Hilux 1976 Wiring Diagrams

Toyota Tacoma Case sub-assembly, manual transmission. Mtm, driveline

Toyota Tacoma Case sub-assembly, manual transmission. Mtm, driveline

Komentar

Postingan populer dari blog ini

The Forbidden Quest [Full Movie]: The Forbidden Quest Film

∵The Forbidden Quest [Full Movie]: Forbidden Quest Asianwiki The Forbidden Quest [Full Movie]: The Forbidden Quest Film 〖HDvideo〗 aka (Die verbotene Frage, O epizon, Zakazana wyprawa, Tiltott kutatás 1993) "1931: in Ireland, a film maker hears of an aged ship's carpenter who knows the fate of the Hollandia, a Norse ship that set sail in 1905 and vanished. The old salt has canisters of film to prove his tale. We see the footage as he narrates. They sail south in June, 1905, with scores of Siberian huskies aboard, meeting no living soul, the crew ignorant of the trip's purpose, until they reach Antarctica. A mysterious Italian paces the deck; a polar bear appears, and the Italian, possessed, hunts it down. That night, the boatswain explains to the crew how an Arctic bear could be at the South Pole and why the Hollandia has come. Visitors arrive, and the Gothic tale plays out." film genres: Documentary.

[Download 20+] Immagine Cuore Piccolo Da Colorare

Download Images Library Photos and Pictures. Cuore da colorare - Disegni da colorare Cuore Disegni Da Colorare - Ultra Coloring Pages Cuore: disegno da colorare - TuttoDisegni.com Cuore Disegno Da Colorare , Free Transparent Clipart - ClipartKey

[View 27+] Imagen De Persona Orando A Dios

Get Images Library Photos and Pictures. Orando y contemplando la maravillas de Dios por Dimitri Conejo Sanz (@dimitriconejo) | Cathopic Oración Para Tener Paz Y Ser Libre De La Angustia Qué Puedo Pedirle a Dios - Descubre esta interesante Oración La verdad sobre Dios y Jesucristo